欢迎访问煤化工环保网站
主页
/
会员服务
/
会员申请
会员登录
会员注册
本站二维码,为您推荐更多优质信息资讯、在线课堂
首 页
行业资讯
水处理
固废处理
大气治理
技术装备
工程案例
标准法规
煤化工环保委员会
专家库
会展信息
标准法规
●
标准法规
您现在的位置:首页 → 标准法规 →
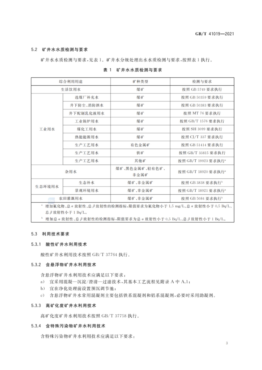
《矿井水综合利用技术导则》 (GB∕T 41019-2021)2022-07-01日起实施
日期:2022-4-11 来源:工业废水圈 作者:-
首页
|
行业资讯
|
水处理
|
固废处理
|
大气治理
|
技术装备
|
工程案例
|
标准法规
|
专家库
|
会展信息
|
联系我们
Copyright 2020 - 2025 煤化工环保网(www.cciep.net) 京ICP备18048812号 京公网安备110112000130
版权所有 北京泛地能源咨询中心
电话:010-64285340 传真:010-84290898 E-mail: 2261115271@qq.com
煤炭深加工
现代煤化工
兰炭科技信息
中心兰炭分会